DASP Policy and Guidance Portal
Click here to see this page in full context
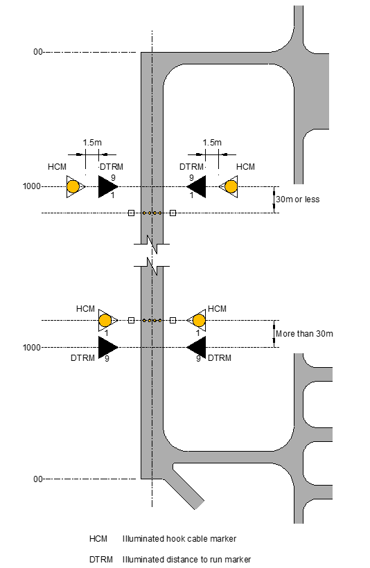
SECTION 6 CHAPTER 2 ANNEX B
HOOKCABLE MARKER SITING